发表时间:2025-05-09 16:56:08
本文由定制化的企业情报智能服务平台——【情报强企】提供,点击获取企业定制情报
企业资讯
【德国】CATL推出全球首款9MWh超大容量TENER堆栈储能系统解决方案
标签:#CATL #energy storage system

CATL在慕尼黑发布全球首款9MWh超大容量TENER堆栈储能系统,提升容量、灵活性、安全性和可移动性。该系统采用高能量密度电池,体积利用率提高45%,能量密度增加50%,可为150辆电动车充电或供德国家庭六年电力。
【中国】亿纬锂能向子公司增资5亿用于圆柱电池项目
标签:#亿纬锂能 #市场 #发布
亿纬锂能宣布向子公司增资50亿元,用于实施23GWh圆柱磷酸铁锂储能动力电池项目。这笔资金将帮助子公司曲靖亿纬扩大规模,注册资本将增至1.05亿元。
行业动态
【EMEA地区】从逆变器出口数据看中东市场储能需求变化
标签:#逆变器 #数据 #市场

根据中国海关总署数据显示,2025年第一季度中国逆变器出口金额同比增长6.6%,其中印度、巴基斯坦、缅甸、阿联酋、沙特阿拉伯是前五大出口目的地。中东地区如沙特阿拉伯和阿联酋积极推动能源转型,储能需求快速增长。
【亚太地区】印度独立储能主导市场,占一季度公用事业级招标64%
标签:#储能
最新研究显示,2025年第一季度印度独立储能系统占公用事业储能招标64%,招标量达6.1GW。政府VGF计划是关键推手,提供30%补贴。但印度面临设备供应商少、电池制造能力不足、关键矿物进口依赖高及融资难等问题。
【美洲地区】Sonnen和Energy Groups联手开展德克萨斯州大型VPP项目
标签:#Tesla Energy Storage
Sonnen与Energy Groups联手在德克萨斯州展开大型虚拟电厂项目。该项目旨在支持德克萨斯州的虚拟电厂网络,通过在屋内安装电池实现对电力需求的管理。该合作计划旨在支持德克萨斯州的零售能源客户,并为该州的电网提供支持。
政策动态
【EMEA地区】ESMC提议封杀中国光伏逆变器
标签:#逆变器 #阳光电源 #装机

欧洲太阳能制造委员会(ESMC)提议封杀中国光伏逆变器,限制非欧洲制造商的远程控制功能。ESMC指出,连接中国制造逆变器的光伏装机容量相当于200多座核电站,存在远程操控网络安全风险。
【中国地区】国家能源局储能安全新规发布!对电化学储能行业发展的影响解读
标签:#储能 政策
国家能源局等五部门发布了《关于加强电化学储能安全管理有关工作的通知》,强调电化学储能安全管理,推动技术升级和产业转型。要求加快新型储能技术研发,提出全生命周期管理机制。标准化建设将降低企业合规成本,创造商业机会,引领行业向安全优先新阶段发展。
前沿技术
[实用新型] 一种防尘散热的光伏储能柜
标签:#光伏储能

陕西度加能源科技有限公司公开了一种防尘散热的光伏储能柜,通过竖板、隔板、气孔、排气孔及风机设计,精准散热并防止灰尘进入,有效提升散热和防尘效果。
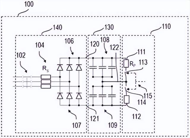
[发明授权] 具有无源平衡的UPS设备
标签:#UPS

ABB瑞士股份有限公司公开了一种转换器,含DC拆分链路、两DC电容及并联的两电阻器。两电阻器在预充电阶段被接合,分别并联于两DC电容,以助于转换器的启动和稳定运行。
本文内容来源于网络资料,由【情报强企】整理
