发表时间:2025-10-17 15:16:48
本文由定制化的企业情报智能服务平台——【情报强企】提供,点击获取企业定制情报
企业资讯
大日本印刷与英国标准协会签署合作协议,支持其符合国际标准和准则的活动
标签:#DNP

大日本印刷株式会社(DNP)与英国标准协会(BSI)签署合作协议,共同支持国际标准合规活动,推出数字化转型方案,用「eCAP」平台助企业高效管理合规活动,解决标准更新、人力投入及过度依赖个人能力等合规管理挑战。
南王科技印尼工厂全面投产,全球化战略迈出关键一步
标签:#南王科技

南王科技宣布位于印尼中爪哇省的工厂全面投产,占地12,000平方米,主营环保纸袋、无纺布袋等产品。这标志着南王科技全球化战略迈出重要一步,规避关税风险,重新赢得北美市场指日可待。
【境外消息】DS Smith和Queen Flowers合作推出可回收花束盒
标签:#DS Smith

DS Smith和Queen Flowers公司合作推出可回收花束盒,瓦楞纸板设计可装三到五束虎尾兰,有不同孔数盖子适配花束,结构便于组装,顶部盖板保鲜,表面适合标识,空盒可回收。
行业动态
【境外消息】Fedrigoni推出适用于葡萄酒、烈酒和精酿啤酒的可清洗标签
标签:#label

Fedrigoni推出了一种可清洗标签,适用于葡萄酒、烈酒和精酿啤酒行业,以支持玻璃瓶的重复使用。该标签结合了FW8000可清洗粘合剂和Sorolla H+O WS面材,既能在冷藏和潮湿条件下保持耐用性,又能在瓶洗过程中干净地脱落。
【境外消息】更智能的保护,更大的影响力:Vela™耐磨纸解决方案
标签:#paper packaging

Seaman Paper旗下可持续包装品牌Vela™推出Anti-Abrasive纸解决方案,为眼镜、电子产品等行业提供无塑料、FSC™认证、完全可回收的保护包装,可防划痕磨损,获多地FSC™认证及多项检测,为可持续包装设定新标准。
【境外消息】电子商务与可持续性重塑1.4万亿美元包装市场
标签:#packaging

Smithers研究显示,电子商务、可持续性和创新正重塑1.4万亿美元的全球包装业,包装为有弹性的万亿美元市场,纸张纸板份额最大,模塑纤维等推动新应用,电商是需求增长强驱动力,全球销售额预计超20%零售总额。
上游动态
太阳化学与Onlineprinters合作开发植物油基胶印油墨SunLit ProPace
标签:#油墨 #印刷品 #食品包装
德国太阳化学与Onlineprinters合作开发植物油基胶印油墨SunLit ProPace,这是基于太阳化学PACE技术平台的产品,旨在提升商业出版物及非食品包装印刷的生产效率与可持续性。
废纸超预期上涨,瓦楞及箱板纸延续涨势
标签:#废纸 #瓦楞纸 #趋势
9月份瓦楞及箱板纸市场延续涨势。上游成本废纸价格超预期上涨,叠加市场供需关系缓和,支撑价格上调。10月份纸厂仍有涨价计划,叠加废纸价格处于高位,预计瓦楞及箱板纸市场价格仍存上调可能。
前沿技术
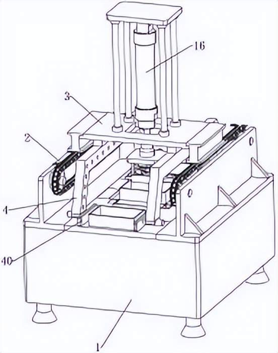
[实用新型] 包装盒成型设备
标签:#包装盒 #裕同科技

许昌裕同印刷包装有限公司公开了一种包装盒成型设备,含第一运载装置、第一上料机构、第二上料机构、夹紧机构、除泡机构,载具可移动,能提升包装盒成型效率,除泡组件可去除气泡,提高产品良率。
[发明公布] 一种天地盖礼盒生产用连接纸自动粘合装置
标签:#礼盒 #高义包装

广东高义包装科技股份有限公司公开了一种天地盖礼盒生产用连接纸自动粘合装置,通过电动夹臂、气缸等组件实现内外同步粘合,工序无缝衔接,礼盒连续自动化生产,显著提升粘合效率。
本文内容来源于网络资料,由【情报强企】整理
关于情报强企
情报强企是国内领先的企业情报服务商,为企业提供定制化的线上情报搜集与管理服务。情报强企平台帮助企业自动抓取并推送行业最新动态,无需部署安装,支持多账号使用,实现多部门情报共享,助力企业决策。
