发表时间:2025-10-21 15:15:55
本文由定制化的企业情报智能服务平台——【情报强企】提供,点击获取企业定制情报
企业资讯
【中国】阳光电源2025年下半年业绩展望:储能业务引领增长,Q3-Q4盈利有望环比提升
标签:#阳光电源 #业绩 #储能系统

2025年上半年,阳光电源营业收入同比增长40.3%,归母净利润增幅高达56.0%。公司的业务结构已发生显著变化:储能系统业务收入占比达到40.89%,首次超越逆变器业务,成为公司第一大收入来源。多家机构预测其Q3-Q4盈利有望环比提升。
【中国】STIF与CATL在电池储能领域达成重要合作协议
标签:#CATL
STIF与全球领先电池制造商CATL签署合作协议,订单金额500万至800万欧元。这是CATL首次为STIF防爆电池板项目下单,该产品为防BESS爆炸设计,将在苏州STIF工厂生产,首批交付计划于今年完成,并将持续至2026年全年。
行业动态
【瑞典】瑞典电池制造独角兽Polarium转型,正加紧布局北欧户用储能市场
标签:#户用储能 #市场 #储能系统

瑞典电池制造独角兽Polarium正在加紧布局北欧家庭储能市场,通过战略转型和市场定位成功应对挑战。其家用储能系统Homevolt设计稳定高效,且具有环境适应性,本着安全、可靠性和美学的理念赢得用户青睐。
【印度】2025上半年印度储能部署容量仅为49MWh,同比骤降74%
标签:#储能系统 #装机 #电力 政策
印度2025上半年储能部署容量骤降74%,太阳能+储能项目占比56%。卡纳塔克邦累计部署的储能系统装机容量占到印度储能部署总量33%,处于领先地位;德里-国家首都辖区(Delhi-NCR)成为2025年上半年新增储能系统装机容量的最大贡献者,占比将近83%。
【美国】Fortress Power推出eBoost储能系统
标签:#energy storage system
Fortress Power公司推出eBoost储能系统,适用于并网与离网场景。每单元16千瓦时,最大可扩展至256千瓦时(16个单元并联),可为家庭和企业提供可持续的长期备用电源,减少对电网的依赖。eBoost具备移动便捷、防护性好等特点。
【中国】107.12MW/428.48MWh!国内最大容量用户侧储能项目预计11月底竣工
标签:#储能 开工 #新型储能 #市场
国内最大容量的用户侧储能项目——四川广元中孚、林丰107.12MW/428.48MWh用户侧锂电新型储能项目建设已进入最后冲刺阶段。项目由鹏辉能源与中孚铝业打造,选址紧邻中孚铝业厂区,可直接接入10KV配电系统,采用“低谷充电、高峰放电”模式,提高用电可靠性。
政策导向
【西班牙】西班牙更新电网规则,以扩大能源存储和可再生能源的整合
标签:#pv-magazine
西班牙全面修订电网接入规则支持储能发展,认定储能为关键技术,给予可再生能源与储能混合项目同等调度优先权,让其全额保留储能收益,还提升重新调度优先级,有望储能整合型清洁能源项目的竞争力。
【越南】越南提议为住宅太阳能和储能系统提供财政支持
标签:#tariffs
越南工贸部提出财政支持计划,为家庭安装无储能的家用太阳能系统提供VDN 100万(约合37,970美元)至VDN 150万美元的投资资金。若同时安装储能系统,且系统配置至少1千瓦太阳能功率和2千瓦时储能容量,还可额外获得VDN 100万至150万美元的补贴。
前沿技术
[发明授权] 一种具有能信同传功能的构网型逆变器控制方法
标签:#逆变器

龙源(北京)新能源公司公开了一种具有能信同传功能的构网型逆变器控制方法,涉电力电子及通信领域。通过双下垂控制实现功率分配,借谐波传递信息,适用于多逆变器及DC - DC变换器,能提高能量和信息传输效率。
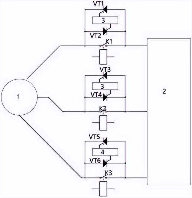
[实用新型] 用于有源逆变器的快速预充电系统
标签:#逆变器

利思电气(上海)有限公司公开了一种用于有源逆变器的快速预充电系统,含三个对应各相的预充电模块,设于交流电源与主回路间,模块含多种组件。该系统相较现有技术,有提速、降耗、增寿优点。
本文内容来源于网络资料,由【情报强企】整理
关于情报强企
情报强企是国内领先的企业情报服务商,为企业提供定制化的线上情报搜集与管理服务。情报强企平台帮助企业自动抓取并推送行业最新动态,无需部署安装,支持多账号使用,实现多部门情报共享,助力企业决策。
