发表时间:2025-11-11 15:07:46
本文由定制化的企业情报智能服务平台——【情报强企】提供,点击获取企业定制情报
企业资讯
【中国】普兰纳米与阳光电源达成战略合作,新产线落户安徽
标签:#阳光电源

天津普兰纳米科技有限公司与阳光电源就超容技术和股权投资正式达成战略合作,同时与安徽泗县经济开发区签署合作协议。此次合作聚焦新能源、新材料领域,三方将整合技术、市场与政策优势,加速普兰纳米干法超级电容器新产线在泗县的落地与应用拓展。
【加拿大】调查报告丨储能电池短路,致特斯拉充电爆炸!
标签:#特斯拉

加拿大特斯拉充电爆炸事故调查报告揭示,事故源于充电桩内部电池短路,导致异常电压引发电弧闪爆。充电桩涉及FreeWire Boost内部集成电池储充一体直流快充桩存在可靠性问题,曾多次记录“低电阻”错误,但未维修。
行业动态
【澳大利亚】19天加急审批!海辰储能借合作卡位澳洲储能市场!
标签:#海辰储能 #储能 合作
澳大利亚政府仅用19天即完成对三星物产可再生能源公司昆士兰州邓莫尔300MW太阳能电站及150MW电池储能项目的环境审批,创下快速审批先例。该项目选址于昆士兰州邓莫尔,具有无需新建输电线路和大规模清理土地的优势,且配套的储能系统可保障电力稳定。
【美国】Xcel Energy将在美国中西部建造最大的电池存储基地
标签:#Renewableenergymagazine

美国Xcel Energy将在中西部建造最大的电池存储基地,以满足明尼苏达州能源未来的需求。计划在2026年开始建设电池存储项目,预计在2027年底为客户提供电力。项目将使用锂铁磷酸铁(LFP)电池技术,并利用现有的电网连接,实现能量的存储和释放。
【德国】海尔新能源户储一体机 E-Tower Ultra 斩获 2026 德国设计奖金奖
标签:#户储 #储能 标准

德国设计奖评选结果揭晓,海尔新能源储能三电融合户储一体机“E-Tower Ultra”系列成功斩获金奖。“E-Tower Ultra”系列践行“储能家电化,家电绿色化”理念,实现家居美学与储能功能的完美融合,具备15分钟极简安装、安全配电与智慧用电特性,并通过hOn App实现能源智能管理。
【中国】总投资48亿!钠电池及储能系统集成基地落户河南郑州
标签:#储能系统 #系统集成 #储能 合作
河南郑州二七区政府与四川英能基科技有限公司签署钠离子电池生产基地项目合作协议,项目总投资约48亿元,分两期建设钠离子电池生产基地、研发中心及储能系统集成基地,重点开展钠离子电池核心产品研发与生产。
政策导向
【乌克兰】乌克兰修改了家庭和混合太阳能装置的贷款计划
标签:#pv-magazine

乌克兰修改了家庭和混合太阳能装置的贷款计划,将每月还款利率改为贷款本金的30%一次性返还,以增加混合能源系统的可及性。能源部表示这一改变将为更多家庭引入混合供电系统,使贷款成本降低,同时也让政府能更好预测和分配资金。
【波兰】波兰总统提出降低电价的法案
标签:#Energy

波兰总统提出降低电价的法案,拟定四大战略支柱:削减电费中的各种附加费,降低能源证书成本,减少配电费用,改变系统平衡规则。计划将电力增值税从当前的23%降至5%,可使波兰家庭每年节省超过800波兰兹罗提。
前沿技术
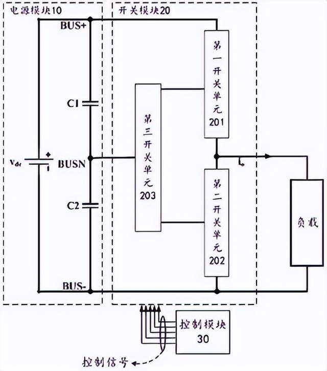
[发明授权] 中点箝位逆变器及光伏供电系统
标签:#逆变器

华为数字能源技术有限公司公开了一种中点箝位逆变器及光伏供电系统,逆变器含电源、开关、控制模块。控制模块可控制开关单元导通或关断,灵活选择承担损耗,降低逆变器所有工况下损耗,效率高且适用性强。
[实用新型] 一种新型柔性光伏储能组件
标签:#光伏储能

山东倍耐新能源科技有限公司公开了一种新型柔性光伏储能组件,含基座、延展架和协助组件。协助组件设推移单元,其限位架与基座相连,支撑方柱有安装腔及密封盖。此设计使支撑结构展开更便捷,提高储能结构组装效率。
本文内容来源于网络资料,由【情报强企】整理
关于情报强企
情报强企是国内领先的企业情报服务商,为企业提供定制化的线上情报搜集与管理服务。情报强企平台帮助企业自动抓取并推送行业最新动态,无需部署安装,支持多账号使用,实现多部门情报共享,助力企业决策。
