发表时间:2025-11-13 15:39:51
本文由定制化的企业情报智能服务平台——【情报强企】提供,点击获取企业定制情报
企业资讯
【中国】固德威户储逆变器荣获制造业单项冠军
标签:#固德威 #户储 #逆变器

近日,工业和信息化厅公示国家第九批制造业单项冠军企业名单,固德威凭借在户用储能逆变器领域荣耀上榜。此外,固德威公司前瞻性布局“源网荷储智”平台化发展战略,实现了源、网、荷、储的智能协同,助力新能源消纳能力,增强电网安全稳定运行。
【英国】1.36GWh,这家中企再获英国储能订单
标签:#大型储能 #储能系统 #组串式
远景能源再获英国Statera Energy合作订单,为Carrington储能项目提供电池储能系统,总装机容量680MW/1360MWh,是英国最大储能项目之一。
行业动态
【德国】e-storage在德国成功拿下电池储能项目
标签:#energy storage system
e-storage成功拿下德国电池储能项目,基于Sol Bank技术平台,提供并调试集成式电池储能系统,计划2026年3月交付、同年晚些时候完成调试。
【越南】华为FusionSolar推出智慧能源生态系统
标签:#Hệ thống quản lý pin lưu trữ

华为FusionSolar在越南推出智慧能源生态系统,包括智能光伏和储能系统。该系统集成地面发电与储能技术,实现高效能一体化。系统可满足工商业园区、家庭用户的电力需求。
【美国】Sunrun公司虚拟电厂参与度实现400%增长
标签:#Utilitydive

Sunrun公司虚拟电厂参与度实现400%增长,公司表示新客户电池附着率达70%,比去年增加10个百分点。Sunrun在2025年第三季度占美国住宅太阳能安装的21%,储能安装的42%。公司预计未来几年虚拟电厂项目将持续增长。
【中国】Solinteg发布适用于商业及工业应用的混合逆变器系列
标签:#pv-magazine

Solinteg发布新型混合逆变器系列,专为C&I储能等设计。M2HTs系统输出功率25至50千瓦,支持高容量储能系统,配备四组MPPT跟踪器。产品包含五种型号,效率高,内置能源管理系统,支持并联等多种运行,适应多种环境。
政策导向
【中国】首部储能电站安全国家标准GB/T 46261-2025即将实施!
标签:#储能 标准

国家市场监督管理总局发布了首部储能电站安全国家标准《电化学储能电站火灾监测预警系统通用技术要求》,填补了早期火灾监测预警产品标准的空白,将于2026年9月1日正式实施。该标准明确了多参数监测、防控系统化和可靠性要求,回应了电池热失控频发的安全难题。
【爱尔兰】爱尔兰和北爱尔兰将制定计划和调度方案,彻底改变能源存储市场
标签:#Renewableenergymagazine
爱尔兰和北爱尔兰将制定计划和调度方案,彻底改变能源存储市场。电池能量存储系统将被允许在能源交易中充分参与,与欧盟清洁能源计划保持一致,支持爱尔兰的可再生能源目标。新框架下,电池将被允许在日前、日内和实时市场上买卖电力,与传统发电厂相同。
前沿技术
[实用新型] 光伏储能电池设备及光伏储能系统
标签:#光伏储能

东旭科技集团有限公司公开了一种光伏储能电池设备及光伏储能系统,含储蓄电池、带腔体的安装装置,外部设制冷装置和惰性气源装置,分别通过管路为腔体制冷、输送惰性气体,可提升储蓄电池安全性,避免热失控致灾。
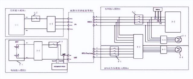
[实用新型] 一种通用型电池与光伏储能逆变器匹配测试平台
标签:#逆变器 #光伏储能

远东电池江苏有限公司公开了一种通用型电池与光伏储能逆变器匹配测试平台,含光伏、电池、电网、EPS应急负载接入模块,可兼容大部分逆变器,提供多种接口,能进行通讯协议适配、参数配置及性能测试。
本文内容来源于网络资料,由【情报强企】整理
关于情报强企
情报强企是国内领先的企业情报服务商,为企业提供定制化的线上情报搜集与管理服务。情报强企平台帮助企业自动抓取并推送行业最新动态,无需部署安装,支持多账号使用,实现多部门情报共享,助力企业决策。
