发表时间:2025-10-30 15:06:11
本文由定制化的企业情报智能服务平台——【情报强企】提供,点击获取企业定制情报
企业资讯
【中国】固德威:2025年前三季净利同比增837.57%
标签:#固德威 #发布

10月29日固德威发布2025年三季报,1至9月营收61.94亿元,同比增25.30%,归母净利润8111万元,同比增837.57%,扣非后净亏96万元;第三季度单季营收21.08亿元,同比增17.42%,归母净利润9771万元,同比增200.83%。
【澳大利亚】EcoFlow进军澳大利亚,打造智能家居能源生态系统
标签:#long-term energy storage breakthrough

全球便携式电源先驱EcoFlow作为欧洲家用储能领先供应商进军澳大利亚市场,在All Energy 2025展览会亮相,推出AI驱动家庭能源系统,并与多家当地企业建立合作,建立本地业务网络。
行业动态
【法国】施耐德电气发布200千瓦时商用及工业电池储能系统
标签:#pv-magazine

法国施耐德电气公司推出了一款适用于商业与工业应用的新型电池储能系统(BESS),最多可扩展至2兆瓦时,由10个单元组成。施耐德Boost Pro采用磷酸铁锂(LFP)棱柱电池,单体容量可达200千瓦时。
【印度】OMC本田在印度合作开发可再利用的电动汽车电池储能系统
标签:#pv-magazine

OMC Power与本田汽车在印度合作开发利用再利用的电动汽车电池储能系统,支持印度清洁能源转型。本田的便携式电池将被重新用于储能应用,为偏远学校、诊所、电信塔、小型企业和太阳能屋顶提供可靠的电力。这一模型旨在延长电动汽车电池的寿命,同时满足静态储能需求。
【美国】资金已全部到位!阿特斯储能获8.25亿美元融资!
标签:#储能系统 #逆变器 标准 #构网型
阿特斯储能获8.25亿美元融资,资金已全部到位,用于推进美国亚利桑那州两个重点能源项目。其中包括600MWh独立电池储能系统和光伏电站的建设。
【中国】生态模式助力储能爆发,科力远前三季度扣非净利大增2352%
标签:#储能系统 #装机 #储能 开工
科力远第三季度生态模式助力储能爆发,扣非净利润大增2352%,归母净利润1.32亿元,同比增539.97%。业绩受益于多板块增长及政府搬迁损益,储能业务成重要引擎,公司规划推进镍氢电池应用,加强固态电池研发。
政策导向
【意大利】撒丁岛政府拨款2900万欧元,用于支持企业可再生能源与储能项目
标签:#Sistema di gestione delle batterie del stoccaggio energetico

撒丁大区政府近日发布专项资助公告,面向小微企业及中型企业(Mpmi),将直接支持其建设光伏发电系统及配套储能装置。此次资助总额达2900万欧元,旨在为相关项目提供资金支持。
【新西兰】新西兰推出屋顶太阳能建筑许可豁免
标签:#pv-magazine

新西兰取消屋顶太阳能安装许可要求以简化部署。部长称改革为“常识”举措,可节省费用并避免延误。对于需要专业工程师提供或审查结构固定设计的屋顶安装,超过40平方米总面积的屋顶或在极高风速地区,免于许可证的申请。
前沿技术
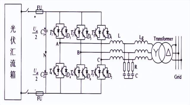
[发明授权] 一种考虑经济性的光伏逆变器群控制方法
标签:#逆变器 #光伏逆变

国网湖北电力相关公司公开了考虑经济性的光伏逆变器群控制方法,包括计算损耗来源、下垂控制无功整定、构建最小损耗模型、约束条件、算法求解比例系数,合理控制光伏逆变器以满足并网点电压调节需求。
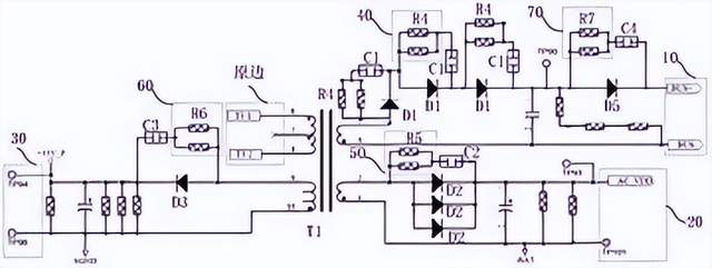
[实用新型] 一种光伏逆变器及其辅助电源
标签:#逆变器 #光伏逆变

深圳硕日新能科技股份有限公司公开了一种光伏逆变器及其辅助电源,该电源通过反激变压器、第一电容和第一整流二极管等连接,实现输出较高电压为外部母线电容充电,且使第一整流二极管电压应力均衡,降低损坏可能,保证正常工作。
本文内容来源于网络资料,由【情报强企】整理
关于情报强企
情报强企是国内领先的企业情报服务商,为企业提供定制化的线上情报搜集与管理服务。情报强企平台帮助企业自动抓取并推送行业最新动态,无需部署安装,支持多账号使用,实现多部门情报共享,助力企业决策。
