发表时间:2025-10-31 15:07:36
本文由定制化的企业情报智能服务平台——【情报强企】提供,点击获取企业定制情报
企业资讯
【境外消息】Smurfit Westrock公司第三季度净销售额增长
标签:#Smurfit Westrock

Smurfit Westrock报告了Q3净销售额增长。净销售额从$7,671百万美元增至$8,003百万美元。季度净利润为$245百万,净利润率为3.1%。北美业务向好,消费业务持续改善,包装业务展现强劲利润率,EMEA和APAC地区将受益于需求回暖。
金富科技:2025年前三季度净利润9343.65万元
标签:#金富科技

金富科技最近发布了2025年第三季度报告,显示公司前三季度净利润下降,但经营活动现金流净额同比增长96.52%。公司主要从事包装产品研发和销售,盈利能力较上年有所下降,投资回报率也减少。
行业动态
印刷业2025年1-9月经营状况分析
标签:#印刷业 #分析
2025年1-9月,印刷业规模以上企业营业收入同比下降2.1%,利润总额同比增长7.9%。剔除偶发因素的非正常影响,印刷企业经营仍持续承压。
【境外消息】Elopak将在阿肯色州纸箱厂增设第三条生产线
标签:#packaging #carton

Elopak将在阿肯色州的纸箱工厂增加第三条生产线,这是为了满足客户需求而进行的扩容。该工厂制造用于液体乳制品、果汁、植物性饮料和液体蛋的Pure-Pak纸箱。
【境外消息】美国软包装协会发布2025年经济影响报告
标签:#flexible packaging

美国软包装协会发布了其经济影响报告,由John Dunham & Associates编制,强调了软包装行业在美国经济中的重要作用。报告显示,该行业推动了1514亿美元的经济产出,支持了近40万个美国工作岗位,涵盖美国经济的所有528个部门。
比传统RFID标签机打印速度快超过4倍!这家公司推出新型RFID打印机
标签:#标签 #RFID #数据
Graph-Tech USA最近推出了新一代UHF编码与打印系统RFID-Runner,该设备在RFID标签生产速度、效率及成本效益方面取得了巨大突破。RFID-Runner能在12分钟内完成10000个RFID标签的编码与打印工作,比传统系统快4倍以上。
上游动态
需求阶段性好转,进口本色浆价格窄幅上涨
标签:#纸浆 #白卡纸 #趋势
近期下游白卡纸行情持续向好,原纸加工利润改善,再生纤维浆管控升级,部分包装纸企业原料供应紧张,推动进口本色浆需求上涨。11月进口本色浆价格或仍有窄幅上行空间。
前沿技术
[实用新型] 包装盒
标签:#包装盒 #当纳利

东莞当纳利印刷有限公司公开了一种包装盒,含顶部开口的地盒及多个可枢转连接的折叠门,折叠门有折叠线和至少一个磁铁。相邻折叠门可同步转动,切换开启与闭合位置,过程中磁铁保持吸附且折叠门翻折,带来独特体验,增强互动性。
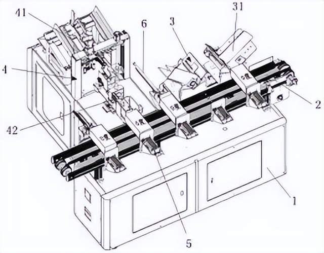
[发明授权] 一种包装盒内托组装生产线
标签:#包装盒 #虎彩印艺

虎彩印艺股份有限公司公开了一种包装盒内托组装生产线,包括机箱、输送装置,一侧设底托和顶托组装装置。底托由至少两组灰板组装机构组成,顶托含上料和折边机构,折边机构设计精巧。该发明解决了包装盒生产效率低下的问题。
本文内容来源于网络资料,由【情报强企】整理
关于情报强企
情报强企是国内领先的企业情报服务商,为企业提供定制化的线上情报搜集与管理服务。情报强企平台帮助企业自动抓取并推送行业最新动态,无需部署安装,支持多账号使用,实现多部门情报共享,助力企业决策。
