Published PM GMT+8 GMT+8, October 30, 2025,
This article is provided by [InsightEmpower], a customized enterprise intelligence and smart service platform.Click to get your enterprise’s tailored intelligence solution.
Corporate Updates
[China] GoodWe Reports 837.57% YoY Surge in Net Profit for First Three Quarters of 2025
Tags: #GoodWe #FinancialReport
On October 29, GoodWe released its Q3 2025 financial report. Revenue for January–September reached RMB 6.194 billion, up 25.30% year-on-year, with a net profit attributable to shareholders of RMB 81.11 million — a staggering 837.57% increase. After excluding non-recurring items, the company posted a minor net loss of RMB 0.96 million. In Q3 alone, GoodWe generated RMB 2.108 billion in revenue, up 17.42% YoY, and a net profit of RMB 97.71 million, up 200.83% YoY.
[Australia] EcoFlow Expands into Australia, Building an AI-Driven Smart Home Energy Ecosystem
Tags: #long-term energy storage breakthrough

Portable power pioneer EcoFlow, a leading European residential energy storage supplier, officially entered the Australian market with its debut at the All Energy 2025 Expo. The company launched an AI-powered home energy system and formed partnerships with local businesses to establish a localized smart energy network.
Industry Developments
[France] Schneider Electric Launches 200 kWh Commercial and Industrial Battery Energy Storage System
Tags: #pv-magazine

Schneider Electric France has introduced a new Battery Energy Storage System (BESS) designed for commercial and industrial applications. The system is modular — up to 2 MWh capacity — and consists of ten individual 200 kWh units using LFP prismatic cells under the Boost Pro product line.
[India] OMC and Honda Collaborate on Second-Life EV Battery Energy Storage Systems
Tags: #pv-magazine

OMC Power and Honda Motor are jointly developing reusable EV battery-based energy storage systems in India to support the country’s clean energy transition. Honda’s portable batteries will be repurposed to supply stable power for remote schools, clinics, telecom towers, small businesses, and solar rooftops. The initiative aims to extend EV battery life while meeting stationary energy storage demand.
[United States] Canadian Solar Secures $825 Million Financing for Arizona Energy Projects
Tags: #EnergyStorage #Inverter #GridForming
Canadian Solar Energy Storage has secured $825 million in full financing to advance two major energy projects in Arizona, including a 600 MWh standalone battery system and an integrated solar power plant.
[China] Corun Energy’s “Ecosystem Model” Drives 2352% Surge in Net Profit
Tags: #EnergyStorage
In Q3 2025, Corun Energy achieved a 2352% increase in non-recurring net profit and a 539.97% YoY rise in total net profit to RMB 132 million. Growth was driven by multiple business segments and government-related gains. The company’s energy storage business emerged as a key driver, with plans to expand nickel-hydrogen battery applications and enhance solid-state battery R&D.
Policy and Regulation
[Italy] Sardinia Allocates €29 Million to Support Renewable Energy and Storage Projects
Tags: #EnergyStorageManagementSystem

The Regional Government of Sardinia announced a €29 million funding program to support renewable energy and storage projects for small and medium-sized enterprises (MPMIs). The initiative directly funds the installation of PV systems and associated energy storage facilities, encouraging regional energy transition and sustainability.
[New Zealand] Rooftop Solar Installations Exempted from Building Permits
Tags: #pv-magazine

The New Zealand government has removed the building permit requirement for rooftop solar installations to simplify deployment and reduce costs. The reform, described by officials as a “common-sense measure,” applies to most installations, except those exceeding 40 m² in total area or located in high-wind zones requiring professional engineering review.
Technology & Innovation
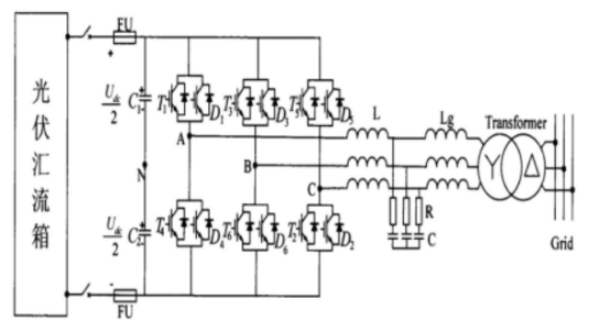
[Patent Granted] Cost-Optimized Control Method for Photovoltaic Inverter Clusters
Tags: #Inverter #PVInversion

A subsidiary of State Grid Hubei Electric Power disclosed a patented economic control method for PV inverter clusters. The system calculates energy losses, adjusts reactive power via droop control, builds a minimal-loss optimization model, and determines proportional coefficients through algorithms to achieve grid voltage regulation and optimized inverter performance.
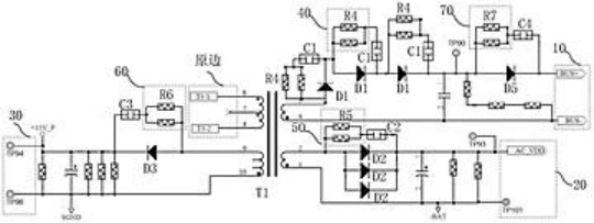
[Utility Model] Photovoltaic Inverter with Auxiliary Power Supply
Tags: #Inverter #PVInversion

Shenzhen SORO New Energy Technology Co., Ltd. unveiled a photovoltaic inverter with an auxiliary power source. The design employs a flyback transformer, capacitor, and rectifier diode to output higher voltage for external bus capacitor charging, balancing voltage stress on components, reducing damage risks, and ensuring system stability.
The content of this article is sourced from online sources and organized by'InsightEmpower'.
