Published PM GMT+8 GMT+8, November 13, 2025,
This article is provided by [InsightEmpower], a customized enterprise intelligence and smart service platform.Click to get your enterprise’s tailored intelligence solution.
Corporate News
[China] GoodWe Wins National Champion in Manufacturing for Residential Storage Inverters
Tags: #GoodWe #ResidentialStorage #Inverter

GoodWe has been recognized in China’s ninth batch of National Manufacturing Single Champion Enterprises for its leadership in residential energy storage inverters. The company is also advancing its strategic “Source-Grid-Load-Storage-Intelligence” platform, achieving intelligent synergy across the entire energy value chain. This initiative enhances renewable energy utilization and strengthens grid stability.
[United Kingdom] 1.36GWh: Chinese Company Secures Major UK Storage Order
Tags: #LargeScaleStorage #EnergyStorageSystem #StringType
Envision Energy has received another major order from Statera Energy in the UK to supply battery energy storage systems (BESS) for the Carrington Storage Project. With a total capacity of 680MW/1360MWh, it ranks among the largest energy storage projects in the country.
Industry Developments
[Germany] e-storage Secures German Battery Energy Storage Project
Tags: #EnergyStorageSystem
e-storage has successfully won a new battery energy storage project in Germany, based on its Sol Bank technology platform. The company will supply and commission integrated BESS solutions, with delivery scheduled for March 2026 and commissioning expected later the same year.
[Vietnam] Huawei FusionSolar Launches Smart Energy Ecosystem
Tags: #EnergyManagementSystem

Huawei FusionSolar has launched an intelligent energy ecosystem in Vietnam, integrating advanced PV and storage technologies. The system delivers high-efficiency power generation and storage integration, designed to meet the energy demands of industrial parks and residential users alike.
[United States] Sunrun Sees 400% Growth in Virtual Power Plant Participation
Tags: #UtilityDive #VirtualPowerPlant

Sunrun reported a 400% surge in participation across its virtual power plant (VPP) network. The company’s new customer battery attachment rate reached 70%, up 10 percentage points year over year. In Q3 2025, Sunrun accounted for 21% of U.S. residential solar installations and 42% of energy storage deployments. The company expects continued expansion of its VPP programs in the coming years.
[China] Solinteg Unveils New Hybrid Inverters for C&I Applications
Tags: #PVMagazine #HybridInverter

Solinteg has launched a new series of hybrid inverters designed for commercial and industrial (C&I) storage systems. The M2HTs series offers power outputs from 25 to 50 kW, supports large-capacity battery systems, and includes four MPPT trackers. Equipped with a built-in energy management system, the inverters support parallel operation and multiple configurations for diverse environments.
Policy and Regulation
[China] China to Implement First National Energy Storage Safety Standard (GB/T 46261-2025)
Tags: #EnergyStorage #SafetyStandard

China’s State Administration for Market Regulation has issued the nation’s first safety standard for electrochemical energy storage stations—GB/T 46261-2025 General Technical Requirements for Fire Monitoring and Early Warning Systems. The standard, effective September 1, 2026, fills a critical gap in early fire detection and prevention for BESS systems. It sets multi-parameter monitoring, systemized control, and reliability requirements to address the growing safety challenges of battery thermal runaway.
[Ireland] Ireland and Northern Ireland to Reform Energy Storage Market Frameworks
Tags: #RenewableEnergyMagazine #EnergyMarket
Ireland and Northern Ireland are introducing new planning and dispatch frameworks that will transform their energy storage markets. Under the upcoming system, battery energy storage systems (BESS) will be fully integrated into power trading—participating in day-ahead, intraday, and real-time markets, similar to traditional generators. The reform aligns with the EU Clean Energy Package and supports Ireland’s renewable energy targets.
Technology Frontier
[Utility Model] PV Energy Storage Battery Device and System
Tags: #PhotovoltaicStorage #BatterySafety

Dongxu Technology Group Co., Ltd. has disclosed a new photovoltaic energy storage device and system featuring a battery pack, a cavity-based installation mechanism, and external cooling and inert gas systems. These systems cool the internal cavity and supply inert gas through pipelines to enhance battery safety and prevent thermal runaway incidents.
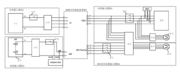
[Utility Model] Universal Testing Platform for Battery and PV Storage Inverter Compatibility
Tags: #Inverter #PVStorage

Far East Battery (Jiangsu) Co., Ltd. has unveiled a universal testing platform for battery and photovoltaic storage inverter compatibility. The platform integrates PV, battery, grid, and EPS emergency load modules and supports multiple inverter interfaces. It enables communication protocol adaptation, parameter configuration, and performance testing for a wide range of inverter models.
The content of this article is sourced from online sources and organized by'InsightEmpower'.
